| Katayuan ng availability: | |
|---|---|
| Dami: | |
J21S
WORLD
-Big sheet punching
-Circles blangko
-Magagawa ng trabaho sa zig zag coil feeder
Ang lalim ng lalamunan ay napapasadya ayon sa coil sheet at lapad ng plate na bakal. Ang bakal na plate na welded na katawan ay may mas mataas na lakas at katigasan. Ang mono block type body ay mas mahusay kaysa sa ecconomic type bolts naayos na katawan.
Ang uri ng crank ng Deep Throat Punching Press ay maaaring magbigay ng kasangkapan sa opsyonal na pneumatic clutch. Mas ligtas at maginhawang operasyon.
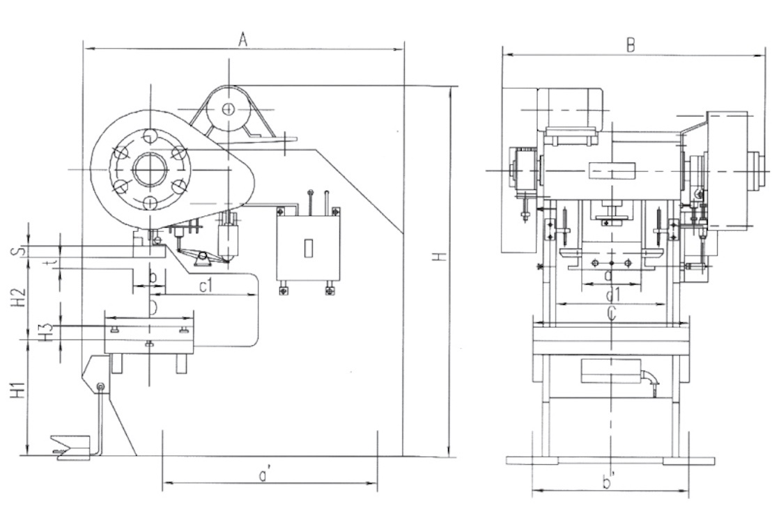
| Item | Unit | J21S-10 | J21S-16 | J21S-25 | J21S-40 | J21S-63 | J21S-80 | J21S-100 | |
| Nominal kapasidad | Kn | 100 | 160 | 250 | 400 | 630 | 800 | 1000 | |
| Haba ng Slide Stroke | mm | 45 | 55 | 65 | 90 | 110 | 120 | 140 | |
| Bilis ng stroke | beses/minuto | 145 | 125 | 55 | 45 | 40 | 38 | 38 | |
| Max. Die shut taas | mm | 180 | 220 | 270 | 320 | 390 | 440 | 480 | |
| Die shut taas na pagsasaayos | mm | 35 | 45 | 55 | 65 | 80 | 90 | 100 | |
| Lalim ng lalamunan | mm | 300 | 500 | 600 | 710 | 800 | 800 | 900 | |
| Distansya ng mga haligi | mm | 208 | 278 | 330 | 470 | 590 | 600 | 720 | |
| Slide sa ilalim ng laki | L-r | mm | 170 | 200 | 250 | 300 | 400 | 430 | 540 |
| F-B | mm | 150 | 180 | 220 | 260 | 360 | 360 | 480 | |
| Laki ng hole hole | Diameter | mm | 30 | 40 | 40 | 50 | 50 | 60 | 60 |
| Lalim | mm | 55 | 60 | 60 | 70 | 70 | 75 | 75 | |
| Laki ng worktable | L-r | mm | 370 | 450 | 560 | 700 | 860 | 950 | 1080 |
| F-B | mm | 240 | 300 | 370 | 460 | 570 | 650 | 710 | |
| Kapal ng worktable | mm | 35 | 40 | 50 | 65 | 80 | 100 | 120 | |
| Diameter ng butas ng talahanayan | mm | 80 | 100 | 120 | 150 | 180 | 200 | 220 | |
| Ang ibabaw ng worktable sa distansya ng lupa | mm | 730 | 750 | 800 | 835 | 860 | 850 | 850 | |
| Pangkalahatang sukat | F-B | mm | 835 | 1250 | 1835 | 2338 | 2748 | 2720 | 2815 |
| L-r | mm | 665 | 850 | 950 | 1335 | 1500 | 1715 | 1790 | |
| Taas | mm | 1763 | 2030 | 2215 | 2660 | 2828 | 3290 | 3625 | |
| Kapangyarihan ng de -koryenteng motor | KW | 1.1 | 1.5 | 2.2 | 5.5 | 7.5 | 7.5 | 11 | |
| Timbang (tinatayang) | Kg | 950 | 1750 | 2750 | 5900 | 7600 | 9800 | 10080 | |
-Big sheet punching
-Circles blangko
-Magagawa ng trabaho sa zig zag coil feeder
Ang lalim ng lalamunan ay napapasadya ayon sa coil sheet at lapad ng plate na bakal. Ang bakal na plate na welded na katawan ay may mas mataas na lakas at katigasan. Ang mono block type body ay mas mahusay kaysa sa ecconomic type bolts naayos na katawan.
Ang uri ng crank ng Deep Throat Punching Press ay maaaring magbigay ng kasangkapan sa opsyonal na pneumatic clutch. Mas ligtas at maginhawang operasyon.
| Item | Unit | J21S-10 | J21S-16 | J21S-25 | J21S-40 | J21S-63 | J21S-80 | J21S-100 | |
| Nominal kapasidad | Kn | 100 | 160 | 250 | 400 | 630 | 800 | 1000 | |
| Haba ng Slide Stroke | mm | 45 | 55 | 65 | 90 | 110 | 120 | 140 | |
| Bilis ng stroke | beses/minuto | 145 | 125 | 55 | 45 | 40 | 38 | 38 | |
| Max. Die shut taas | mm | 180 | 220 | 270 | 320 | 390 | 440 | 480 | |
| Die shut taas na pagsasaayos | mm | 35 | 45 | 55 | 65 | 80 | 90 | 100 | |
| Lalim ng lalamunan | mm | 300 | 500 | 600 | 710 | 800 | 800 | 900 | |
| Distansya ng mga haligi | mm | 208 | 278 | 330 | 470 | 590 | 600 | 720 | |
| Slide sa ilalim ng laki | L-r | mm | 170 | 200 | 250 | 300 | 400 | 430 | 540 |
| F-B | mm | 150 | 180 | 220 | 260 | 360 | 360 | 480 | |
| Laki ng hole hole | Diameter | mm | 30 | 40 | 40 | 50 | 50 | 60 | 60 |
| Lalim | mm | 55 | 60 | 60 | 70 | 70 | 75 | 75 | |
| Laki ng worktable | L-r | mm | 370 | 450 | 560 | 700 | 860 | 950 | 1080 |
| F-B | mm | 240 | 300 | 370 | 460 | 570 | 650 | 710 | |
| Kapal ng worktable | mm | 35 | 40 | 50 | 65 | 80 | 100 | 120 | |
| Diameter ng butas ng talahanayan | mm | 80 | 100 | 120 | 150 | 180 | 200 | 220 | |
| Ang ibabaw ng worktable sa distansya ng lupa | mm | 730 | 750 | 800 | 835 | 860 | 850 | 850 | |
| Pangkalahatang sukat | F-B | mm | 835 | 1250 | 1835 | 2338 | 2748 | 2720 | 2815 |
| L-r | mm | 665 | 850 | 950 | 1335 | 1500 | 1715 | 1790 | |
| Taas | mm | 1763 | 2030 | 2215 | 2660 | 2828 | 3290 | 3625 | |
| Kapangyarihan ng de -koryenteng motor | KW | 1.1 | 1.5 | 2.2 | 5.5 | 7.5 | 7.5 | 11 | |
| Timbang (tinatayang) | Kg | 950 | 1750 | 2750 | 5900 | 7600 | 9800 | 10080 | |
0086 21 62828320
0086 13817120700
wang@worldpowerpress.com