balita
Narito ka: bahay » balita » Knowledge Center » kung paano tumugma sa electric power source ng mga press machine

kung paano tumugma sa electric power source ng mga press machine

Mga panonood:0     May-akda:Site Editor     I-publish ang Oras: 2022-07-01      Pinagmulan:Lugar

Kung paano tumugma sa mapagkukunan ng kuryente ng iyong mga press machine

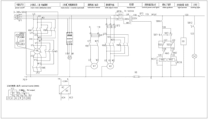
Pindutin ang mga machine na karaniwang nagpatibay ng 3 phase ng mga mapagkukunan ng kuryente. Ang artikulong ito ay upang ipakilala ang mga detalye ng mapagkukunan ng kapangyarihan ngpindutin ang mga machine. Ginagamit namin ang mga machine ng brand ng mundo bilang mga halimbawa.


Halimbawa:World Brand C Frame Single Crank Press, JH21-160


Mayroong tatlong piraso ng electric motor sa pindutin. Pangunahing motor upang magmaneho ng sistema ng paghahatid, flat motor ng preno para ayusin ang slide, at ang maliit na motor para sa electric grease pump. Ang pag -input ng mapagkukunan ng kuryente ay nag -uugnay sa pangunahing motor at slide na ayusin nang direkta ang motor. Ang lakas ng pag -input ay nag -uugnay sa motor ng grasa ng grasa sa pamamagitan ng isang transpormer. Inilipat ng transpormer ang boltahe ng lakas ng pag -input sa 220V.

Power Press Electric Diagram-2

Ang iba't ibang mga bansa ay may iba't ibang mga pamantayan sa boltahe ng industriya. 220V, 380V, 400V, 415V, 440V at 600V. Ang World Brand Press Machines ay ginawa sa China na may karaniwang boltahe bilang 380V. Dapat kumpirmahin ng mamimili ang lokal na boltahe ng kuryente bago ilagay ang order sa makinarya ng mundo para sa mga press machine. Ang makinarya ng mundo ay maaaring baguhin ang pamantayan ng boltahe ng Power Press machine nang naaayon. Ang pangunahing motor at slide ayusin ang boltahe ng motor ay dapat baguhin. Ang pamantayan ng dalas ng inverter boltahe ay dapat mabago din kung ang mamimili ay nangangailangan ng opsyonal na inverter. Ang boltahe ng motor ng grasa ng grasa ay hindi nangangailangan ng pagbabago, dahil ang input ay sa pamamagitan ng transpormer.

Power Press Electric Power Connection-2

Ikonekta ang 3 mga wire ng phases sa L1, L2 at L3. Ang PE ay para sa kaligtasan. I -on ang pangunahing motor, suriin ang press flywheel na umiikot na direksyon. Ang direksyon ay dapat na sunud -sunod, dahil ang arrow ay nagpapahiwatig sa flywheel safety guard. Kung ang direksyon ay mali, kailangan lamang palitan ang dalawang mga terminal ng L1, L2 at L3.


Kasalukuyang pamantayan ng mga wire

Ang mga kasalukuyang amperes ay ayon sa kapasidad ng kuryente. Ang pagsunod sa talahanayan ay para sa sanggunian.

Power (KW)

Boltahe (V)

Kasalukuyang (a)

0.75

380

2

1.5

380

3.6

2.2

380

5

3

380

6.6

4

380

8.5

5.5

380

11.5

7.5

380

15.5

11

380

22

15

380

30

18.5

380

37

22

380

44

30

380

60

37

380

72

45

380

85

55

380

105

75

380

138

90

380

160


MAKIPAG-UGNAYAN

  0086 21 62828320

  0086 13817120700

         0086 13817590728

  wang@worldpowerpress.com

         info@worldpowerpress.com

QUICK LINKS

MGA PRODUKTO

Copyright © SHANGHAI Yingxin WORLD MACHINERY CO., LTD. Lahat ng karapatan ay nakareserba. Website registeration Numero: 沪 ICP 备 09030720 号 -2
teknolohiya sa pamamagitan ng leadong/Sitemap